Kenmore Elite Dual Fuel Range Problems

Sears Kenmore Elite Range Recalls Issued Over Fire Laceration Risks Aboutlawsuits Com

Sears Kenmore Elite Range Recalls Issued Over Fire Laceration Risks Aboutlawsuits Com

Sears Recalls Kenmore Elite Dual Fuel Ranges

Sears Recalls Kenmore Elite Dual Fuel Ranges

Kenmore Elite Freestanding Dual Fuel Self Clean Range 7560 Reviews Viewpoints Com

Kenmore Elite Freestanding Dual Fuel Self Clean Range 7560 Reviews Viewpoints Com

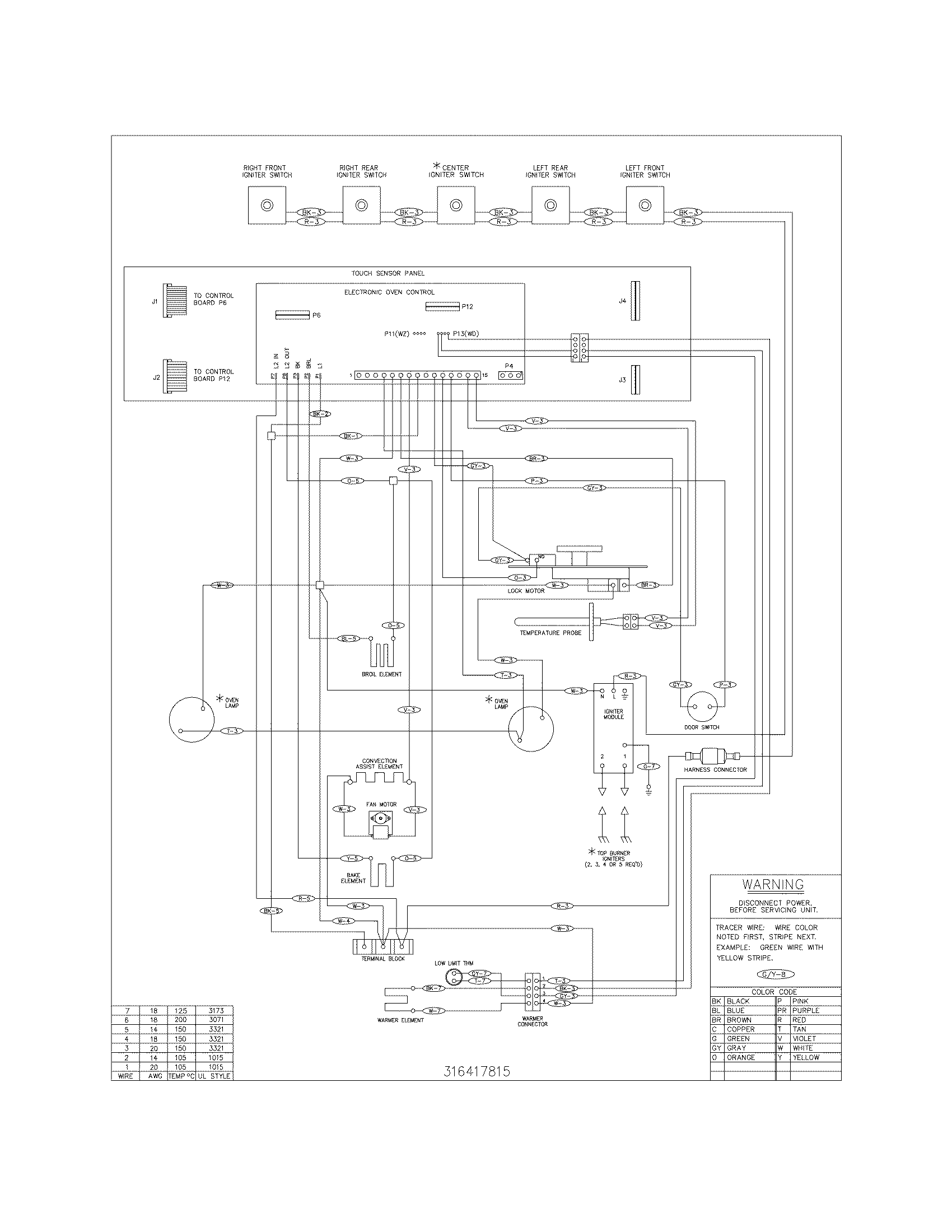
Kenmore Range Stove Oven Model 790 75503207 Parts Repair Help Repair Clinic

Kenmore Range Stove Oven Model 790 75503207 Parts Repair Help Repair Clinic

Kenmore Elite 79041033802 Range Parts Sears Partsdirect

Kenmore Elite 79041033802 Range Parts Sears Partsdirect

Repairing Electronic Oven Controller On Kenmore Elite Oven 790 75503 Youtube

Repairing Electronic Oven Controller On Kenmore Elite Oven 790 75503 Youtube

Repairing Electronic Oven Controller On Kenmore Elite Oven 790 75503 Youtube

Kenmore elite 75223 5 8 cu.

Kenmore elite dual fuel range problems. I put a new connector on the wire but nothing works. This voluntary recall involves certain frigidaire and kenmore elite dual fuel stainless steel slide in ranges with gas cooktops and electric ovens bearing both the model and serial numbers set out below. But even the most reliable appliance can suffer from issues due to day to day use old age or even faulty components. The electronic cont read more.

My kenmore elite dual fuel range model 790 46814 quit working. If your oven won t heat this simple troubleshooting and repair guide can help you discover the source of the problem and fix it yourself. How i repaired my kenmore elite dual fuel oven stove. Gas front control range stainless.

We ll have the part you need and step by step repair instructions so you can fix the problem yourself. A reliable range is an absolute must for cooking healthy and delicious meals at home. There is a touch sensitive glass control panel used to set the clock timer and various cooking control options. The model and serial number can be found on the left side trim when the oven door is opened.

A wire to the baking element shorted to the body of the range. Our troubleshooting guide provides directions on how to fix your kenmore stove range or oven. The kenmore company produces a variety of gas and electric ranges as part of its elite series including freestanding and slide in ranges that come in black stainless steel or white.

Range Oven Kenmore Dual Fuel Double Oven Range

Range Oven Kenmore Dual Fuel Double Oven Range

Kenmore Elite 75603 40 Double Oven Dual Fuel Range W Convection Double Oven Kenmore Elite Dual Fuel Oven

Kenmore Elite 75603 40 Double Oven Dual Fuel Range W Convection Double Oven Kenmore Elite Dual Fuel Oven

Kenmore Elite 40 Dual Fuel Gas Cooktop Range The Ceramic Glass Top Has Shattered I Can T Locate A Replacement Looking For Options Besides Replacing The Entire Thing Appliancerepair

Kenmore Elite 40 Dual Fuel Gas Cooktop Range The Ceramic Glass Top Has Shattered I Can T Locate A Replacement Looking For Options Besides Replacing The Entire Thing Appliancerepair

Kenmore Elite 79046813992 Range Parts Sears Partsdirect

Kenmore Elite 79046813992 Range Parts Sears Partsdirect

Top Reasons Gas Burner Won T Light Gas Range Troubleshooting Youtube

Top Reasons Gas Burner Won T Light Gas Range Troubleshooting Youtube

8ifjz 3na0x Xm

8ifjz 3na0x Xm

Kenmore Elite Range Parts Model 79075503208 Sears Partsdirect Kenmore Elite Kenmore Oven Stoves For Sale

Kenmore Elite Range Parts Model 79075503208 Sears Partsdirect Kenmore Elite Kenmore Oven Stoves For Sale

Kenmore Oven Won T Turn On Replace Control Board 318296822 Youtube

Kenmore Oven Won T Turn On Replace Control Board 318296822 Youtube

Used Kenmore Elite Dual Fuel Gas Range Stainless Steel For Sale In Seattle Washington Classified Americanlisted Com

Used Kenmore Elite Dual Fuel Gas Range Stainless Steel For Sale In Seattle Washington Classified Americanlisted Com

Kenmore Elite 79079383405 Range Parts Sears Partsdirect

Kenmore Elite 79079383405 Range Parts Sears Partsdirect

Kenmore Md 30 Slide In Range Stainless Steel C970 44113 Sears Slide In Range Self Cleaning Ovens Convection Cooking

Kenmore Md 30 Slide In Range Stainless Steel C970 44113 Sears Slide In Range Self Cleaning Ovens Convection Cooking

Kenmore Elite 79046812991 Range Parts Sears Partsdirect

Kenmore Elite 79046812991 Range Parts Sears Partsdirect

Zline 30 Stainless Steel 4 0 Cu Ft 4 Gas Burner Electric Oven Range Ra30 Gas Burners Oven Range Electric Oven

Zline 30 Stainless Steel 4 0 Cu Ft 4 Gas Burner Electric Oven Range Ra30 Gas Burners Oven Range Electric Oven

Kenmore Elite Slide In Dual Fuel Range Stainless Steel 4 6 Cu Ft Kenmore Elite Kitchen Inspirations Stoves Range

Kenmore Elite Slide In Dual Fuel Range Stainless Steel 4 6 Cu Ft Kenmore Elite Kitchen Inspirations Stoves Range

Source : pinterest.com