Kenmore Vacuum Powermate Repair

Kenmore 1165561190 Tools Attachment Parts Sears Partsdirect

Kenmore 1165561190 Tools Attachment Parts Sears Partsdirect

Kenmore 11654212400 Tools Attachment Parts Sears Partsdirect

Kenmore 11654212400 Tools Attachment Parts Sears Partsdirect

Kenmore 11658014700 Tools Attachment Parts Sears Partsdirect

Kenmore 11658014700 Tools Attachment Parts Sears Partsdirect

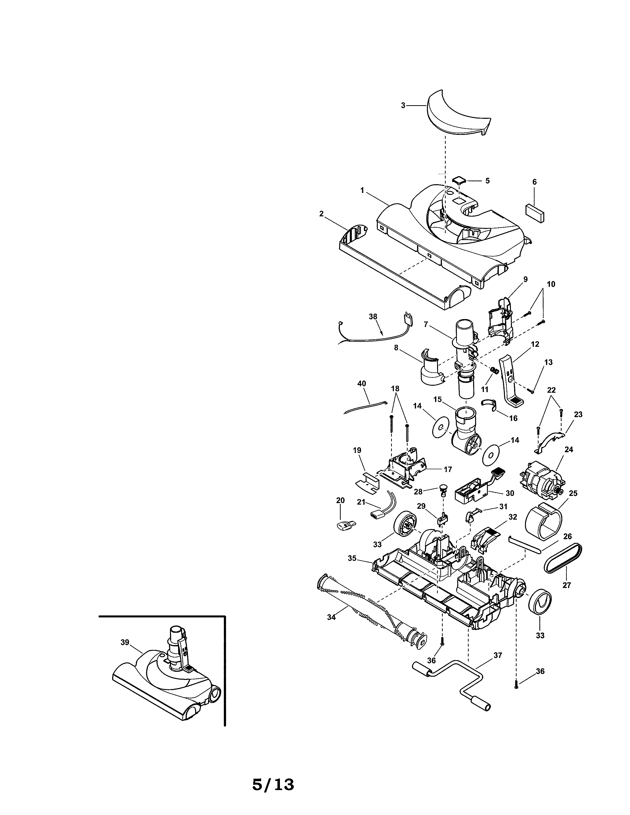
Vacuum Powermate Kc50xcmwzu01 Parts Sears Partsdirect

Vacuum Powermate Kc50xcmwzu01 Parts Sears Partsdirect

Kenmore 11651614014 Tools Attachment Parts Sears Partsdirect

Kenmore 11651614014 Tools Attachment Parts Sears Partsdirect

Kenmore 116 50112001 Power Mate Canister Vacuum Partswarehouse

Kenmore 116 50112001 Power Mate Canister Vacuum Partswarehouse

Kenmore 116 50112001 Power Mate Canister Vacuum Partswarehouse

Proceed at your own risk.

Kenmore vacuum powermate repair. Model c50xdea0w017 kenmore powermate attachment. Quickly connect attachments to the handle for an easy transition from upholstery cleaning to floor care. The diagram s below can help you find the right part. For those that suffer from allergies get a model with hepa filters.

Kenmore elite 81714 pet friendly ultra plush lightweight bagged canister vacuum with pet powermate hepa extended telescoping wand retractable cord and 3 cleaning tools champagne 4 0 out of 5 stars 2 879. Kenmore vacuum repair manual marketplace 75 only. If you d like help we invite you to call our customer service number at the top of the page or click chat. This is how i repaired the plastic axles which.

Kenmore canister vacuum cleaners come with several attachments like the pet powermate tool to grab pet hair from any surface. Here are the repair parts and diagrams for your kenmore 11651614014 powermate vacuum attachment. Kenmore ks742019 vacuum powermate swivel seal genuine original equipment manufacturer oem part. Make sure all power is off.

This handy small appliance tackles hardwood laminate and carpet with ease thanks to its multipurpose all floors design. Sold by diy repair parts. For advice on diagnosing problems with appliances lawn garden equipment and other products check out the videos repair guides and articles in our diy section. I will not be responsible for damages etc.

Kenmore 11627515700 Canister Vacuum Parts Sears Partsdirect

Kenmore 11627515700 Canister Vacuum Parts Sears Partsdirect

Vacuum Powermate Kc50xdwmzn05 Parts Sears Partsdirect

Vacuum Powermate Kc50xdwmzn05 Parts Sears Partsdirect

Vacuum Cleaners Yup I Fix Them Too Repairing A Kenmore Canister With Powermate Youtube

Vacuum Cleaners Yup I Fix Them Too Repairing A Kenmore Canister With Powermate Youtube

Kenmore 116 Vacuum Powermate 12 0 Amps Power Head Green Whispertone Progressive Home Amp Garden Household Supplies Amp C Vacuums Kenmore Canister Vacuum

Kenmore 116 Vacuum Powermate 12 0 Amps Power Head Green Whispertone Progressive Home Amp Garden Household Supplies Amp C Vacuums Kenmore Canister Vacuum

Vacuum Pet Powermate Kc85pdeezv0n Parts Sears Partsdirect

Vacuum Pet Powermate Kc85pdeezv0n Parts Sears Partsdirect

Kenmore Style Whisper Belt Powermate Evacuumstore Com

Kenmore Style Whisper Belt Powermate Evacuumstore Com

Kenmore 116 28014700 Parts Vacuum Cleaners

Kenmore 116 28014700 Parts Vacuum Cleaners

Vacuum Powermate Jr 2053040800c Parts Sears Partsdirect

Vacuum Powermate Jr 2053040800c Parts Sears Partsdirect

Kenmore Vacuum Cleaner Belts Bags Repair Parts Sweetsweep Com

Kenmore Vacuum Cleaner Belts Bags Repair Parts Sweetsweep Com

Kenmore 11627914700 Canister Vacuum Parts Sears Partsdirect

Kenmore 11627914700 Canister Vacuum Parts Sears Partsdirect

How To Replace The Light Bulb Belt And Brushroll On The Kenmore Canister Vacuum Youtube

How To Replace The Light Bulb Belt And Brushroll On The Kenmore Canister Vacuum Youtube

Amazon Com Kenmore Kc64eawbzv06 Vacuum Powermate Power Cord Genuine Original Equipment Manufacturer Oem Part Home Improvement

Amazon Com Kenmore Kc64eawbzv06 Vacuum Powermate Power Cord Genuine Original Equipment Manufacturer Oem Part Home Improvement

Kenmore 29319 Vacuum Powermate Hepa Orange Head Power Nozzle For Sale Online

Kenmore 29319 Vacuum Powermate Hepa Orange Head Power Nozzle For Sale Online

Vacuum Powermate Kc50xdufzpud Parts Sears Partsdirect

Vacuum Powermate Kc50xdufzpud Parts Sears Partsdirect

Source : pinterest.com